- Nopeat toimitukset
- Turvallinen osto
- 14 pv avoin osto
Tuotteen kuvaus
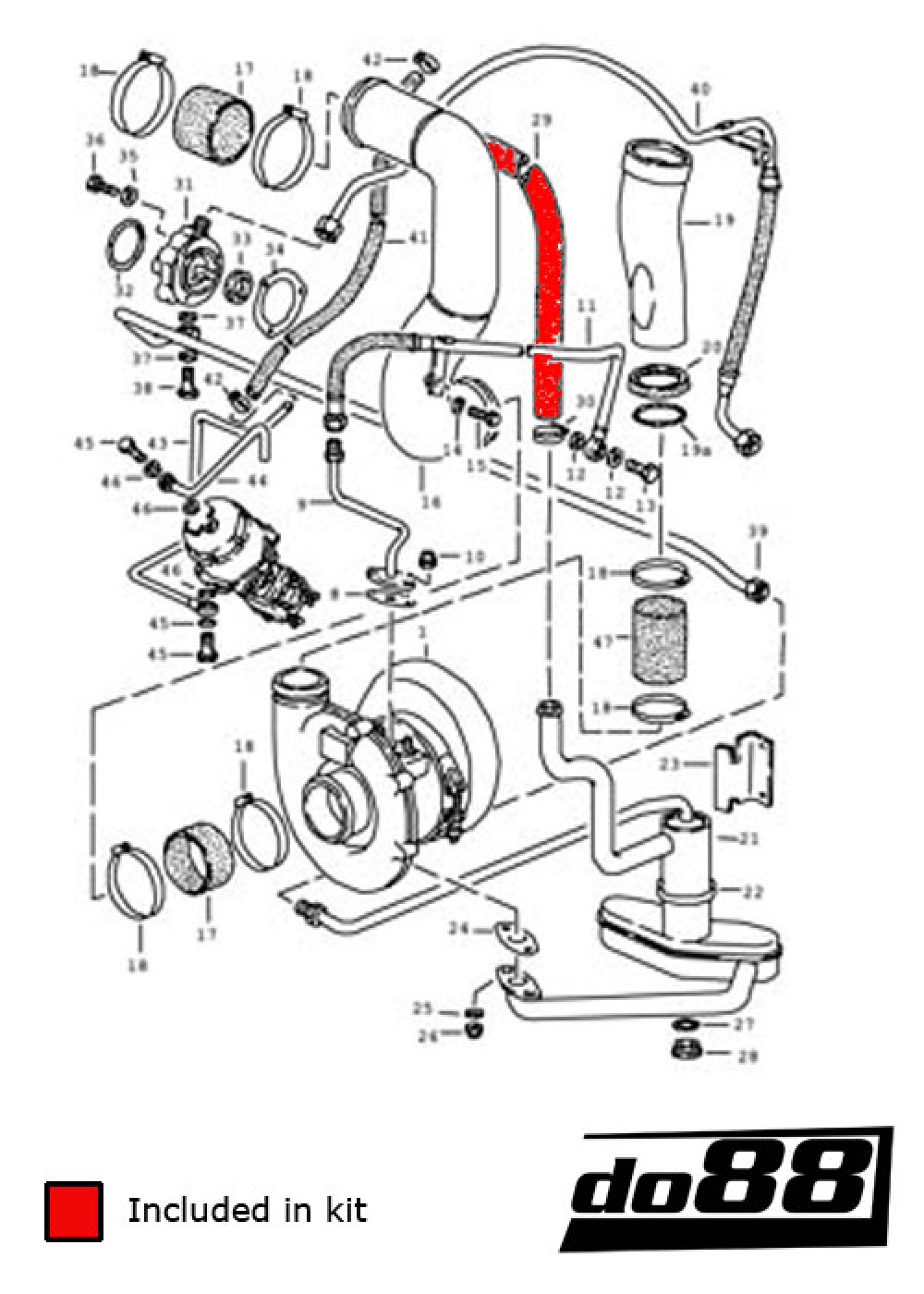
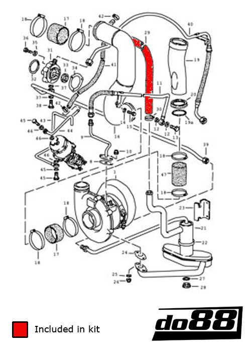
do88:an itse kehittämä letkusarja joka korvaa alkuperäiset kampikammion tuuletus ja öljynerottimen letkut!
Nämä letkut ovat kokonaan valmistettu ja viimeistelty korkealaatuisesta silikonista kestämään korkean paineen ja lämpötilan pitkän aikaa. Meidän letkuissa on 3-5 kerroksinen vahvistus riippuen letkun sisähalkaisijan koosta verrattuna alkuperäisiin letkuihin joissa yleensä on vaan yhden kerroksen vahvistus. Alkuperäiset letkut ovat valmistettu kumista jotka usein iän mukaan kuivuu ja halkeilee. Tämä on parempi ja kestävämpi ratkaisu sinulle ja joka myös lisäksi parantaa ulkonäköä!
Jos värin valinta on tehtävä, katso ylhäältä ”Väri” valikosta saatavuus. Letkujen laatu ja suorituskyky ovat muuten ihan samat.
Sopivan letkunkiristinpaketin löydät alhaalta osiosta "Lisukkeet" nimellä ”Letkunkiristimet do88-kitxxx”. Varmista että kitin numerot täsmäävät letkunkiristinpakettiin.
Kaikki alkuperäiset OEM osanumerot mainitaan ainoastaan viitteeksi.
Sopii
Vuosi mallit: 1978-1989
Moottori: 3.3 Turbo
* Tehtaalla puristetut letkunkiristimet kahdessa alkuperäisessä letkussa pitää leikata, letkunliitin ja putki täytyy sitten uudelleenkäyttää. Ne asennetaan uusiin silikoniletkuihin käyttämällä tavallisia letkunkiristimiä. Suosittelemme että ostat meidän letkunkiristinpaketin, joka sisältää tarvitsemasi kiristimet.
OE viite / Korvaa
Viite: 93010739504, 93010799500
Öljyerottimen letku
Viite: 93010739100
Öljyerottimen letku
Viite: 93010738904
Öljysäiliö letku *
Viite: 93010738906
Öljysäiliö letku
Viite: 93010723302
Öljysäiliö letku
Viite: 93010739402, 99923600750, 00004320495
Kampikammion tuuletusletku *
Viite: 93010739701



English USA
English Europe

Swedish
Norwegian
German
French

Silikoniletku Sininen
Silikoniletku Musta
Silikoniletku Punainen
Polttoaineletku
Ilmaletku
Letkunliittimet
Letkunkiristimet ja tarvikkeet
Liitosholkit
Liitinnippa Alu
Letkun ulosotto liitin
Tulpat
Silikonihatut
Yksisuuntainen takaiskuventtiili
2mm seinämäpaksuus kiillotettu
3mm seinämäpaksuus
Supistajat
Alumiinilevy
Alpine
Audi
BMW
CUPRA
Ford
Mazda
Opel
Porsche
Saab
Seat
Skoda
Suzuki
TOYOTA
Volvo
VW
Pakoputkistot
Lämpöeristeet
Ilmansuodattimet
Välijäähdytin yleismallit
Garrett Välijäähdytin Kennot
Dump- ja By-pass venttiilit / Ahtopaineensäätimet
Öljynjäähdytin
Dump- ja By-pass venttiilit / Wastegate, Alennusmyynti
Ilmansuodattimet, Alennusmyynti
Öljynjäähdytin, Alennusmyynti
Letkunkiristimet, Poistomyynti
(0 kpl)
































